瑞安市天蓝环保设备官方网站
扫一扫立即查看MD943S-1型电动耐磨尘气蝶阀产品概述:
该阀广泛应用于通风除尘系统,对含尘气体、煤气管道、通风净化装置、烟气管道等作为流量调节和截流用。该阀采用优质耐磨材料焊接而成,具有耐磨性好、工作稳定可靠、操作方便、动作灵敏、泄漏率小,使用寿命长、安装维修方便,特别适用于低压差、大口径、大流量场合,它与各种执行机构与组合配套适用,组合成不同性能的阀门。
MD943S-1型电动耐磨尘气蝶阀主要性能:
公称压力:0.1MPa
适用温度:-10~300℃;-20~420℃;-30~500℃
适用介质:空气、煤气、烟气、及含尘气体
电源(电压):三相380V.AC;气源压力:0.4-0.6MPa;供油压力:6.3MPa
泄漏率:≤0.5
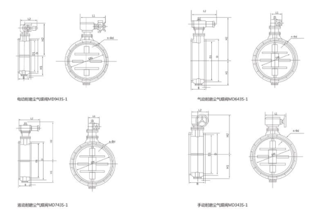
MD943S-1型电动耐磨尘气蝶阀示意图:




MD943S-1型电动耐磨尘气蝶阀技术性能:

MD943S-1型电动耐磨尘气蝶阀外形及连接尺寸:


瑞安市天蓝环保设备有限公司主营:卸料器、卸灰阀、星型卸灰阀、卸料阀、瑞安卸料器等系列产品,“天蓝环保、净化全球”,客服热线:0577-65007068


浙ICP备16043010号-4