瑞安市天蓝环保设备官方网站
扫一扫立即查看全不锈钢旋转阀特点:
(1)旋转阀通过采用行星转动原理,输入输出在同一轴线上,而且有与电机直联一体的独特性,因而结构紧凑造型美观新颖、体积小、重量轻.
(2)旋转阀运转可靠平稳、噪音低、故障少、寿命长、齿合件采用球墨铸铁与轴承钢等.使用性能好、耐磨性高.
(3)轴承、齿箱、远离阀体、避免高温灰尘的影响,前后端盖密封性能好,防止灰尘外泄,延长机动件、润滑系统的使用寿命.
(4旋转阀具有过载能力强,耐冲击惯性力矩小,适用于起动频繁和反正转.
(5)用户如需特种规格,电机、链轮传动等卸料器,均可制做.
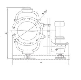
全不锈钢旋转阀产品示意图(Product Schematic Drawing):









全不锈钢旋转阀主要技术参数 Main Techanical Variables:
瑞安市天蓝环保设备有限公司主营:卸料器、卸灰阀、星型卸灰阀、卸料阀、瑞安卸料器等系列产品,“天蓝环保、净化全球”,客服热线:0577-65007068


浙ICP备16043010号-4